Sistem Pemantau dan Kendali Listrik Rumah Berbasis Internet of Things

 

Sistem Pemantau dan Kendali Listrik Rumah Berbasis Internet of Things

Nur Alfiatun Khasanah1, Reggy Yudha Septiyanto2, Samuel BETA Kuntarjo3

Jurusan Teknik Elektro Politeknik Negeri Semarang, Semarang

Jl. Prof. Sudarto, Tembalang, Kec. Tembalang, Kota Semarang, 50275

1 nuralfiatunkh@gmail.com

2 reggy.yudha22@gmail.com

3 sambeta2@gmail.com

Abstract – The availability of electrical energy is one of the main necessity to drive various aspect of life. That thing also applies to home electricity. Using excessive electricity will cause an increase in electrical bill. So we need a system that functions to monitor and control the use of home electricity. The applications of application based on internet of things as a home monitoring and control tool can help users to monitor and limit home electricity use via internet. This system is implemented using Wemos D1 mini, PZEM004T sensor module, relay, LCD I2C, and Blynk application as system interface in smartphone. The system requires a wifi connection to respond to commands from the blynk application.

Keyword – Wemos D1 mini, PZEM-004T sensor module, Relay, LCD I2C, Monitoring and Control Electricity System.

Intisari - Ketersediaan energi listrik merupakan salah satu kebutuhan utama dalam menggerakkan berbagai aspek kehidupan. Hal tersebut juga berlaku pada listrik rumah. Penggunaan energi listrik yang berlebihan dapat mengakibatkan biaya tagihan listrik yang membengkak. Sehingga dibutuhkan suatu sistem yang berfungsi untuk memantau sekaligus mengendalikan pemakaian listrik rumah. Penerapan aplikasi berbasis Internet of Things sebagai perangkat pemantau dan kendali listrik rumah dapat membantu pengguna untuk pemantauan dan pembatasan penggunaan listrik rumah melalui internet. Sistem ini diimplementasikan menggunakan Wemos D1 mini, modul sensor PZEM-004T, relay, LCD I2C, dan aplikasi Blynk sebagai antarmuka sistem di telepon cerdas. Sistem membutuhkan koneksi Wifi untuk merespons perintah dari aplikasi Blynk. 

Kata Kunci – Wemos D1 mini, Modul sensor PZEM-004T, Relay, LCD I2C, Sistem Pemantau dan Kendali Listrik.

I.     PENDAHULUAN

1.1    Latar Belakang

Ketersediaan energi listrik merupakan salah satu kebutuhan utama dalam menggerakkan berbagai aspek kehidupan. Hal tersebut juga berlaku pada listrik rumah. Banyak peralatan rumah tangga yang memerlukan sumber energi listrik. Setiap rumah memerlukan sumber energi listrik untuk menghidupkan berbagai macam perangkat elektronik. Sering kali penggunaan listrik rumah yang tidak terkendali mengakibatkan membengkaknya biaya tagihan yang harus dibayar. Hal ini tentu menjadi masalah bagi pemilik rumah. Dengan melihat perkembangan teknologi saat ini, dengan menggunakan sitem pemantau dan kendali jarak jauh dapat menjadi solusi untuk permasalah tersebut. Penerapan aplikasi berbasis Internet of Things sebagai perangkat pemantau dan kendali listrik rumah dapat membantu pengguna untuk pemantauan dan pembatasan penggunaan listrik rumah melalui internet secara efisien.

Teknologi telepon cerdas dapat dimanfaatkan untuk menggantikan peran saklar manual sehingga kegiatan pengontrolan alat elektronik bisa dilakukan dari jarak jauh, terutama untuk mewujudkan penghematan energi listrik. Aplikasi berbasis Internet of Things sangat membantu untuk melakukan kendali terhadap sistem secara otomatis dimana saja melalui jaringan internet.

Dari latar belakang diatas, maka terlintas suatu ide untuk merancang suatu Sistem Pemantau dan Kendali Listrik Rumah Berbasis Internet of Things. Pada alat ini akan digunakan sensor modul PZEM-004T yang berfungsi untuk membaca nilai arus, tegangan dan frekuensi pada sumber listrik. Alat ini akan terhubung dengan sumber listrik yang selanjutnya juga terhubung ke beban. Alat ini akan menampilkan besar arus, tegangan, frekuensi, daya, dan energi pada LCD yang nantinya juga akan ditampilkan pada aplikasi Blynk. Aplikasi Blynk juga berfungsi untuk memutus aliran listrik ke beban.

1.1    Tujuan

Tujuan dari perancangan alat ini yaitu:

1.      Merancang sistem pemantau dan kendali listrik rumah berbasis Internet of Things.

2.      Memantau dan mengedalikan listrik rumah secara jarak jauh melalui internet.

3.      Menghemat penggunaan energi listrik berlebihan di lingkungan rumah.

1.2    Rumusan Masalah

Berdasarkan uraian di atas, maka ada beberapa perumusan masalah yang harus diperhatikan, yaitu:

1.      Bagaimana merancang sistem pemantau dan kendali listrik rumah?

2.      Bagaimana merancang sistem pemantau dan kendali listrik berbasis Internet of Things?

3.      Bagaimana cara memutus aliran listrik ke beban untuk menghemat penggunaan listrik rumah?

1.3    Batasan Masalah

Dalam pembuatan alat ini terdapat batasan masalah pada sistem pemantau dan kendali listrik rumah berbasis Internet of Things, yaitu:

1.      Pembacaan data meliputi tegangan, arus, frekuensi, daya, dan energi.

2.      Alat ini harus tersambung dengan internet agar dapat mengirimkan data atau informasi secara waktu nyata sehingga lokasi pemasangan harus terjangkau koneksi internet.

3.      Telepon cerdas harus terpasang aplikasi berbasis IoT dan tersambung koneksi internet.

I.     TINJAUAN PUSTAKA

1.1    Modul Sensor PZEM-004T

Gambar 1 Modul sensor PZEM-004T

PZEM-004t pada gambar 1 adalah modul multifungsi yang dirancang untuk mengukur arus, tegangan, daya, dan faktor daya untuk arus AC dan DC. Modul ini dapat menyimpan data energi yang terakumulasi sebelum modul mati. dengan UART TTL MODBUS, modul ini dapat berkomunikasi dengan berbagai terminal melalui pinboard, membaca dan mengatur parameter. tegangan kerja PZEM-004T adalah 80-260 VAC, dan akurasi pengukuran adalah 1,0 grade.

1.2    Tombol Tekan

Gambar 2 Tombol tekan

Tombol tekan adalah perangkat / saklar sederhana yang berfungsi untuk menghubungkan atau memutuskan aliran arus listrik dengan sistem kerja tekan unlock (tidak mengunci). Sistem kerja unlock disini berarti saklar akan bekerja sebagai device penghubung atau pemutus aliran arus listrik saat tombol ditekan, dan saat tombol tidak ditekan (dilepas), maka saklar akan kembali pada kondisi normal.

1.3    Wemos D1 mini

Gambar 3 Wemos D1 mini

Wemos D1 mini didasarkan pada mikrokontroler esp-8266ex, dan dilengkpi dengan modul wi-fi. Secara fungsional. Wemos D1 mini beroperasi pada 3.3V dan sumber energi melalui koneksi micro USB. kabel micro USB bisa disambungkan ke 5v. Terdapat tegangan 3.3v, pin output 3.3v, pin output 5v dan pin ground untuk menghubungkan ke perangkat lain. Terdapat satu pin konverter analog-ke digital (A0), komunikasi SPI (GPIO 12 hingga 15) dan I2C (GPIO 4 dan 5), dan sembilan pin input digital, yang semuanya PWM kecuali GPIO 16. LED pada pin D4 atau GPIO 2 dan aktif rendah. tombol reset digunakan untuk memulai ulang mikrokontroler. Pin GPIO tidak toleran masukan 5v dan suplai arus maksimum pin adalah 12mA.

1.4    Modul Relai

Gambar 4 Modul relai

Modul relai adalah papan antarmuka. Dapat mengontrol berbagai peralatan, dan peralatan lain dengan arus besar. Hal ini dapat dikontrol secara langsung oleh mikrokontroler (Arduino, 8051, AVR, PIC, DSP, ARM, ARM, MSP430, TTL logika) dimana relai ini berfungsi sebagai saklar otomatis Dimana tegangan relai adalah 5V DC-13V DC juga relai ini dapat berfungsi sebagai tegangan AC antara 220V AC- 250V DC.

1.5    Modul LCD 12C

Gambar 5 Modul LCD I2C

LCD dengan I2C memiliki beberapa keunggulan dibandingkan LCD tnpa I2C, yakni pin yang digunakan pada mikrokontroler lebih sedikit dibandingkan dengan LCD tanpa menggunakan I2C. LCD yang menggunakan I2C hanya menggunakan 2 pin untuk komunikasi, yaitu SDA dan SCL, sedangkan pada LCD tampa I2C menggunakan setidaknya ada 5 pin. Jika digabungkan dengan VCC dan Ground, maka pin yang digunakan berjumlah 7, namun pada LCD yang menggunakan I2C hanya menggunakan 4 pin dan sudah termasuk 2 pin ground dan VCC. LCD yang menggunakan I2C sebelum mengoperasikannya kita harus mencari alamat I2Cnya dengan cara scanning alamat I2C, sedangkan pada LCD tanpa I2C biasa tidak perlu melakukan scanning.

1.6    IC LM7805

Gambar 6 IC LM7805

IC LM7805 Voltage Regulator adalah regulator tegangan yang outputnya +5 Volt. Cara mudah untuk mengingat tegangan output dari regulator tegangan seri LM78xx adalah dua digit terakhir dari nomor tersebut. Sebuah LM7805 berakhir dengan "05", oleh karena itu outputnya adalah 5 volt. bagian "78" hanya penanda konvensi dari pembuat chip, digunakan untuk menunjukkan serangkaian regulator tegangan output yang positif.

1.7    Aplikasi Berbasis Internet of Things

Gambar 7 Logo Blynk

Blynk App adalah aplikasi seluler gratis yang digunakan sebagai alat perangkat lunak untuk proyek IoT. Blynk dapat mengontrol perangkat keras dari jarak jauh, mampu menampilkan data sensor di layar dengan cara yang sangat interaktif dengan menggunakan widget. aplikasi ini juga memungkinkan pengguna untuk memiliki saklar hidup/mati virtual yang dapat menggerakkan hal yang sama ke sistem IoT. Aplikasi blynk terdiri dari tiga komponen utama, aplikasi blynk, server blynk yang bertanggung jawab untuk transfer data dari cloud ke perangkat sistem IoT dan sebaliknya. Yang terakhir adalah blynk library adalah perpustakaan yang telah ditentukan sebelumnya untuk mendukung berbagai perangkat IoT seperti Arduino, Raspberry Pi, dan NodeMCU.

I.          PERANCANGAN ALAT

1.1    Alat

1.      Solder

2.      Tang potong

3.      Tang jepit

4.      Gergaji

5.      Bor PCB

6.      Obat nyamuk semprot

7.      Mika plastik

8.      Telepon cerdas

9.      Baskom

10.  Multimeter

1.2    Bahan

1.      Modul sensor PZEM-004T

2.      Tombol tekan

3.      Wemos D1 mini

4.      Modul relai

5.      Modul LCD I2C

6.      IC LM7805

7.      Papan PCB

8.      Larutan FeCl

9.      Timah tenol

10.  Pasta solder

11.  Papan akrilik

12.  Lem aklirik

13.  Kabel

14.  Fitting lampu

15.  Stop kontak

16.  Baut

1.3    Blok Diagram Hubungan Komponen Utama

Gambar 8 Diagram blok komponen utama

Keterangan dari gambar:

1.      Modul sensor PZEM-004T berfungsi untuk membaca nilai arus, tegangan, dan frekuensi dari sumber litrik rumah yang kemudian diproses untuk menghasilkan data berupa rus, tegangan, frekuensi, daya, dan energi.

2.      Tombol tekan berfungsi untuk mengubah menu yang ditampilkan pada LCD berupa arus, tegangan, frekuensi, daya, dan energi.

3.      Wemos D1 mini digunakan sebagai pemroses dalam sistem

4.      LCD dan modul I2C berfungsi sebagai penampil data berupa arus, tegangan, frekuensi, daya dan energi.

5.      Relai digunakan untuk memutus atau menghubungkan sumber listrik ke beban (lampu).

6.      Internet berfungsi sebagai jaringan untuk mengirim dan mengakses aplikasi berbasis Internet of Things.

7.      Aplikasi berbasis Internet of Things berfungsi untuk menampilkan data berupa arus, tegangan, frekuensi, daya, dan energi sekaligus menjadi masukan untuk memutus atau menghubungkan relai melalui aplikasi.

1.4    Gambar Rangkaian

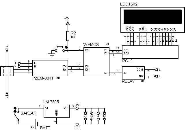
Gambar 9 Skematik Rangkaian

1.5    Diagram Alir

Gambar 10 Diagram Alir Inisialisasi


Gambar 11 Diagram alir sistem pemantau dan kendali listrik rumah berbasis Internet of Things

1.1    Diagram Pengawatan

Gambar 12 Diagram pengawatan

1.2    Pembuatan Alat

Tahap pembuatan alat membahas langkah-langkah dalam pembuatan sistem pemantau dan kendali listrik rumah berbasis Internet of Things meliputi pembuatan mekanik dan rangkaian elektronik.

1.      Pembuatan Mekanik

Pembuatan mekanik dimulai dengan membuat papan untuk meletakkan fitting lampu dan box rangkaian menggunakan tripleks berukuran 22cm x 30cm dan diberi lubang yang telah disesuaikan dengan konsep yang telah dirancang. Kemudian memasang fitting lampu dan box. Untuk komponen elektronika berada pada box.

Gambar 13 Gambar alat nampak atas

2.      Rangkaian Elektronik

Dalam tahap ini dilakukan pemasangan tiap komponen yang dibutuhkan. Pada saat perencanaan pengawatan dilakukan serapi mungkin agar tidak memakan banyak tempat dan meminimalkan penggunaan kabel. Kemudian meletakkannya pada box dengan ukuran 14cm x 9cm.

Gambar 14 Gambar pengawatan elektronika

I.          CARA KERJA ALAT

Sebelum alat aktif pastikan sumber listrik dalam keadaan mati atau tidak ada tegangan dan arus pada sensor PZEM-004T. Setelah itu alat dapat diaktifkan, kemudian alat dapat disambungkan dengan tegangan dan arus yang akan dipantau. Arus, tegangan, dan frekuensi akan terbaca di mikrokontroler. Kemudian data akan ditampilkan pada aplikasi berbasis IoT berupa arus, tegangan, frekuensi, daya dan energi yang dikirim melalui internet. Alat ini juga dilengkapi dengan relai yang dapat menghubungkan ataupun memutus aliran beban. Status listik aktif atau tidak aktif akan terbaca pada indikator yang ada pada aplikasi berbasis IoT. Pemantauan ini akan terus berjalan selama alat dan telepon cerdas terhubung dengan internet dan suplai baterai pada alat terpenuhi.

II.  PENGUJIAN ALAT

Pengujian alat ini awalnya dilakukan dengan memeriksa perangkat keras yang ada pada perangkat, mulai dari pin yang digunakan, pemantauan kondisi indikator yang ada pada modul, dan pemeriksaan tegangan yang mengalir pada rangkaian, setelah itu dilakukan juga pemeriksaan pada bagian modul sensor PZEM-004T. Pemeriksaan pin dilakukan dengan melakukan pemeriksaan ulang pada pengawatan yang ada pada perangkat, baik itu menyesuaikan koneksi modul dengan mikrokontroler maupun antara modul dengan modul. Pemantauan indikator dilakukan dengan memeriksa kondii indikator berupa LED yang berada pada beberapa modul, contohnya pada modul sensor PZEM-004T, apabila indikator LED menyala terang maka modul sensor PEM-004T dapat dikatakan normal, lalu pada Wemos D1 mini sendiri, indikator LED menyala apabila Wemos D1 mini telah tersambung dengan sumber tegangan. Pemeriksaan tegangan dilakukan dengan memeriksa hasil output tegangan yang ada pada perangkat menggunakan multimeter. Pemeriksaan modul sensor PZEM-004T dilakukan dengan mencoba pembacaan arus, tegangan, dan frekuensi secara langsung pada modul sensor PZEM-004T yang telh disambungkan dengan mikrokontroler dan telah diberikan program di dalamnya.

III.   KESIMPULAN

Setelah melakukan perancangan, pembuatan dan uji coba alat, maka didapatkan kesimpulan sebagai berikut:

1.    Sistem pemantau dan kendali listrik rumah berbasis Internet of Things dengan cara menghubungkan pada sumber listrik rumah.

2.    Sistem pemantau dan kendali listrik rumah berbasis Internet of Things dilakukan dengan menghubungkan alat ke koneksi internet atau wifi.

3.    Setelah alat aktif, informasi akan terbaca pada LCD dan aplikasi berbasis Internet of Things dan pengguna dapat mengendalikan beban yang terhubung pada sumber listrik rumah melalui relai yang terhubung dengan aplikasi berbasis Internet of Things.

DAFTAR PUSTAKA

Luhach, Ashish Kumar, dkk. (2021). Advanced Informatics for Computing Research. Singapura: Springer Singapore.

Cameron, Neil. (2018). Electronics Project with The ESP8266 and ESP32. Berkley: APress.

Salam, A Zulfikar. (2018). Mudahnya menjadi progamer with Arduino. Sukabumi: Jejak Publisher.

Iswanto. (2016). Belajar Mikrokontroler AT8951 dengan Bahasa Basic. Yogyakarta: Deepublish.


LAMPIRAN

1. Jurnal KLIK DISINI

2. PPT KLIK DISINI

3. Simulasi Alat KLIK DISINI

4. Program KLIK DISINI

5. Pengawatan Kesuluruhan KLIK DISINI

6. Diagram Blok KLIK DISINI

7. Diagram Alir KLIK DISINI

8. Gambar Rangkaian KLIK DISINI

BIODATA PENULIS

1)      Nur Alfiatun Khasanah

Nama penulis Nur Alfiatun Khasanah. Penulis dilahirkan di Batang, 05 Desember 2000. Penulis telah menempuh Pendidikan formal di SDN Bandar 03, SMPN 01 Bandar, dan SMAN 01 Bandar. Pada tahun 2019, Penulis mengikuti SBMPN Politeknik Negeri dan diterima di Kampus Politeknik Negeri Semarang dengan program studi Teknik Elektronika, Jurusan Teknik elektro. Penulis terdaftar dengan NIM 3.32.19.3.20. Apabila ada kritik dan saran yang membangun mengenai penelitian ini, bisa menghubungi nuralfiatunkh@gmail.com.

2)      Reggy Yudha Septiyanto

Nama penulis Reggy Yudha Septiyanto. Penulis dilahirkan di Pati, 10 September 2000. Penulis telah menempuh Pendidikan formal di SD Sendangmulyo 03, SMP Negeri 9 Semarang, dan SMA Negeri 2 Semarang. Pada tahun 2019 penulis mengikuti seleksi mahasiswa baru diploma(D3) dan diterima menjadi mahasiswa baru diploma(D3) di kampus Politeknik Negeri Semarang (Polines) dengan Program Studi D3 Teknik Elektronika, Jurusan Teknik Elektro. Penulis terdaftar dengan NIM 3.32.19.3.22. Apabila ada kritik dan saran yang membangun mengenai penelitian ini, bisa menghubungi melalui Reggy.Yudha22@gmail.com.


Subscribe to receive free email updates:

0 Response to "Sistem Pemantau dan Kendali Listrik Rumah Berbasis Internet of Things"

Posting Komentar